HT57868
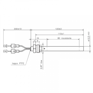
Resistenza accensione per stufe a pellet, con raccordo filettato 3/8" GAS.
Diametro: 12,5 mm.
Lunghezza totale: 120 mm.
Lunghezza sottobattuta: 110 mm.
Potenza: 235 Watt.
Atentie:
Montaj: obligatoriu efectuat de catre o firma autorizata de service ISCIR
Daca produsul nu este montat de catre o firma autorizata de service ISCIR, produsul nu are garantie.
Durata de livrare: 1
Resistenza, candeletta di accensione per stufe a pellet, HT57868, adatta per l'accesione del pellet e cippato per stufe, caldaie e bruciatori.
Per stufe GIROLAMI
Testata per oltre 10.000 cicli di ON/OFF, con tempi rapidi di accensione.
Esecuzione con raccordo filettato 3/8" GAS, diametro 12,5mm, lunghezza totale 120mm, lunghezza sottobattuta 110mm, 235Watt.
Suport clienti Luni-Vineri 08.30-17.00 Sambata Inchis Duminica Inchs
0770999995 comenzi@expertinstalatii.ro