UTXS025889
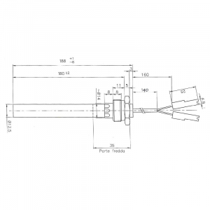
Resistenza accensione per stufe a pellet, con raccordo filettato 1/2".
Diametro: 12,5 mm.
Lunghezza totale: 188 mm.
Lunghezza sottobattuta: 180 mm.
Potenza: 350 Watt.
Atentie:
Montaj: obligatoriu efectuat de catre o firma autorizata de service ISCIR
Daca produsul nu este montat de catre o firma autorizata de service ISCIR, produsul nu are garantie.
Durata de livrare: 7 zile
Resistenza, candeletta di accensione per stufe a pellet UTXS025889 - UTXS020330 adatta per l'accesione del pellet e cippato per stufe, caldaie e bruciatori.
Per stufe PALAZZETTI Ref. 892606960 mod. Allegro - Ermione - Ermione A - Olga - Olga Idro 26kW - Olga Idro 26kW A - Sabina - Sabina A
Testata per oltre 10.000 cicli di ON/OFF, con tempi rapidi di accensione.
Esecuzione con raccordo filettato 1/2", diametro 12,5mm, lunghezza totale 188mm, lunghezza sottobattuta 180mm, 350Watt.
Tip produs: Piesa
Suport clienti Luni-Vineri 08.30-17.00 Sambata Inchis Duminica Inchs
0770999995 comenzi@expertinstalatii.ro