🚚 Transport GRATUIT la comenzi peste 1.000 RON

Tiemme Unitate de control TIEMME TC 110-24B-59 pentru inserții din lemn

Tiemme
480,00 Lei
Unitate de control TIEMME TC 110-24B-59 pentru inserții din lemn IDRO
- Tip încorporat
- Afișaj LED cu 7 segmente
- 4 taste funcționale
- Senzor de temperatură: NTC 10K
- Ieșiri: ieșire releu
- Tensiunea de alimentare: 230 Vac
 

Atentie:

Montaj: obligatoriu efectuat de catre o firma autorizata de service ISCIR
Daca produsul nu este montat de catre o firma autorizata de service ISCIR, produsul nu are garantie.

In stoc

Durata de livrare: 1

Limita stoc
Adauga in cos
Cod Produs: 14710034 Ai nevoie de ajutor? 0770999995
Adauga la Favorite Cere informatii
  • Descriere
  • Review-uri (0)
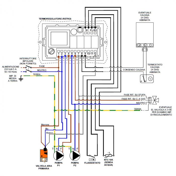
Unitatea de comandă TIEMME TC 110-24B-59 este specifică pentru inserții de lemn și termoseminee IDRO, formată dintr-o placă de alimentare și o placă de afișare cu 3 cifre cu 3 cifre LED, prin care este posibilă vizualizarea diferitelor funcții ale aragazului pornit, oprit sau în stand by, temperatura poate fi setată în grade, orice alarme și teste de funcționare.
Prin intermediul celor 4 butoane de pe placă este posibilă pornirea sau oprirea unității de control, selectarea tipului de operație (automată sau manuală).
De dimensiuni foarte mici, potrivit pentru montarea pe perete într-o cutie cu 3 module, este livrat cu un cadru exterior din plastic.
Are două intrări pentru sonda NTC 10 Kohm și contactul comutatorului de debit.
Se potrivește pe sobele CLAM ref. 05021510 Mod. Calorvision Idro - Termofavilla T / 75 PRO - Termofavilla T / 85 PRO - Termofavilla T / 75 PRO R DX - Termofavilla T / 75 PRO R SX - Termofavilla T / 85 PRO R DX - Termofavilla T / 85 PRO R SX - Termofavilla T / 75 PRO RS DX - Termofavilla T / 75 PRO RS SX - Termofavilla T / 85 PRO RS DX - Termofavilla T / 85 PRO RS SX
CLAM ref. 05012010 Mod. Rioverde
Unitatea electronică de control poate fi instalată în locul panoului de control al modului cardului electronic. 005 - 005 / B COD. 05020048 + 05020047 la modelele CLAM - Termofavilla toată seria - Termofavilla D. toată seria. AVERTIZARE! urmați cu atenție schema de cablare și resetați parametrii așa cum se arată în manual
 
Informatii conformitate produs
Daca doresti sa iti exprimi parerea despre acest produs poti adauga un review.

Review-ul a fost trimis cu succes.

Suport clienti Luni-Vineri 08.30-17.00 Sambata Inchis Duminica Inchs

0770999995 comenzi@expertinstalatii.ro

Compara produse

Trebuie sa mai adaugi cel putin un produs pentru a compara produse.

A fost adaugat la favorite!

A fost sters din favorite!