Extractor ventilator de fum pentru sobele cu peleți. PL21 CE0260

Natalini
790,00 Lei
Extractor - extractor de fum pentru sobele cu peleți.
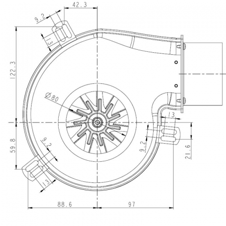
Presiuni generate: până la 300 Pa
Debit maxim: 160 m3 / h
Viteză: până la 2500 RPM
Putere: 50 wați
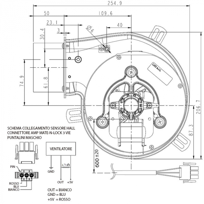
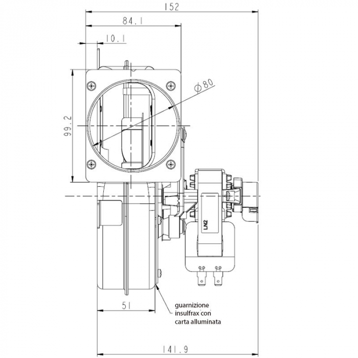
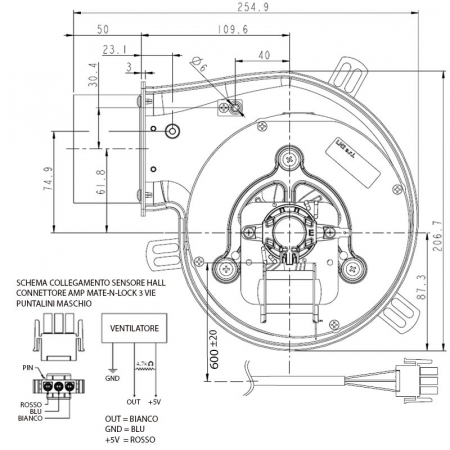
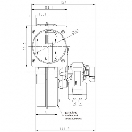
Flansa de livrare: diametru 80 mm
Echipat cu senzor de efect hală
 

Atentie:

Montaj: obligatoriu efectuat de catre o firma autorizata de service ISCIR
Daca produsul nu este montat de catre o firma autorizata de service ISCIR, produsul nu are garantie.

In stoc

Durata de livrare: 1

Limita stoc
Adauga in cos
Cod Produs: 14706001 Ai nevoie de ajutor? 0770999995
Adauga la Favorite Cere informatii
  • Descriere
  • Caracteristici
  • Review-uri (0)

SIT GROUP LN2 NATALINI PL21 CE0260 - W931210260 extractor de fum, ventilator de evacuare destinat utilizarii in sobe pe peleti si cazane pe biomasa cu puteri de la 5 la 20KW.
Poate fi montat in locul modelului LN2 PL20 - XIANG RRL152 - EBM RR152/0020A15-4225 - RR152/020A22-604 - RR152/3030LH - TRIAL CAF15Y-103PS
Prevazut cu scroll din tabla aluminizata cu iesire cu diametrul de 80 mm si rotor din otel AISI 430.
Proiectat pentru a genera presiuni de până la 300 Pa cu un debit maxim de 160 m3/h.
Echipat cu duză pentru intrarea conductei de evacuare a fumului și senzor cu efect hall (encoder).
Conform standardelor EN60335-1, EN61591, EN60704-3, EN60704-2-13, cu clasa de izolație H și clasa de protecție I
Se monteaza pe sobe


- AMG

- ARCE ref. 1611010229 mod. Smart - Smart jr - Mikrò - Micrò jr

- CADEL Ref. 4D145140150 - 41451003202 - 41451003200 Mod. Cloe - Cloe 3 - Diana - Doge 3 Plus - Ibis 11KW - Nice - Prince 3 - Rondò - Sfera - Sfera Plus - Sire Plus - Square - Venus - Venus 3 Plus

- CALECOSOL ref. R2600537 mod. Zhana

- CAMINETTI MONTEGRAPPA ref. 1184018210 mod. LI8 Evo - LS6 Evo - LS9 Evo - NP7 Evo - NP10 Evo - NX10 Evo

- DEVILLE ref. D0026826 mod. Ambra Air - Isis - Onyx - Pegase - Sirius - Venus

- ECOTECK ref. 20000-24-001

- ECOTECK ref. CRY-LD-060N-P

- EDILKAMIN ref. 748100 mod. Bering - Bora - Classica - Classica Plus - Idrochip - Idropoint - Idropolis - Kikka - Kikka plus - Micron - Mya - Naomy - Point - Point plus - Polis - Polis plus - Prima - Simpli - Zara - Zara plus

- EDILKAMIN ref. 613740 mod. Chip

- EDILKAMIN ref. 1021400 mod. Jane

- EMAFLAM ref. R2600516 mod. Alma - Alma rond - Citra - Diama - Hema - Sandro

- EUROALPI ref. R2600516 mod. Marmolada - Pasubio - Vezzana

- NORDICA EXTRAFLAME 2271033

- MCZ

- MORETTI DESIGN rif. MFVF230V Mod. A7 GLOBE - A7 GLOBE GLASS - A7 STYLE - A8 COMPACT - A9 IRON - A9 STONE - PIRAMID - A10 COMPACT - A10 STYLE - A11 GLASS - A11 IRON - A11 STONE - ERGONOMIC - CLASSIC - A10 RETRO - A12 RETRO - A12 STYLE - A12 ALL STYLE - ELEGANCE - A12 CLASSIC STYLE - A12 ALL STYLE - A13 STYLE - A13 ALL STYLE - CLESS - RELAX - C7 GLOBE - C7 GLOBE GLASS - C8 COMPACT - C9 IRON - C9 STONE - PIRAMID - C10 COMPACT - C11 GLASS - C11 IRON - C11 STONE - ERGONOMIC - CLASSIC - C12 STYLE - C12 ALL STYLE - C12 CLASSIC STYLE - C12 ALL STYLE - C13 STYLE - C13 ALL STYLE - CLESSIDRA - VENERE S - OLDY 9 - RELAX - RAMSES - PRETTY PLUS - VIRGO - MICRO - MINI - ALBA - PRETTY - ZEUS - SIXTY - OLDY - GIOIA - TRILLY - A6 IRON - A5 COMPACT - IRIDE - ATHENA - ARTEMIDE - VESTA - POSEIDON - COMPACT - GENUS MINI - AQUA 9 STYLE - AQUA 9 ALL STYLE - AQUA 11 GLASS - AQUA 11 IRON - AQUA 11 STONE - AQUA 12 RETRO - AQUA 13 STYLE - AQUA 13 ALL STYLE - CLESSIDRA - AQUA 15 IRON - AQUA 15 STONE - AQUA 15 RETRO - AQUA 12 SLOT - AQUA 16 SLOT - AQUA 18 COMPACT - AQUA 18 TURBO COMPACT GLASS

- PALAZZETTI ref.  895713870 mod. Angelica - Caterina - Giada da rivestire - Isabella - Letizia - Margherita new - Penelope - Silvia - Slimmy - Tracy

- PALLADIO mod. Scozia 10 Kw

- PIAZZETTA ref. RF02010660 mod. P158T

- QLIMA rif. 19900020 mod. Delmara 75 S-line - Delmara 88 S-line - Delmara 125 S-line - Diandra 60 S-line - Diandra 90 S-line - Fiorina 103 S-line - Fiorina 74 S-line - Fiorina 90 S-line - Tectro TBH 558 - Tectro TBH 564 - Tectro TBH 565 - Tectro TBH 570 rif. 410694 mod. Delfina III 90 M-line - Ronda 100 S-line - Ronda 80 glass - Ronda 80 S-line

- RAVELLI ref. 20000-24-001 mod. Lisa 2005 - Lisa 2006

- RAVELLI ref. CRY-LD-060N-P mod. Young 60 - Young80 - Young 110

- SIDEROS mod. Gemini più

Informatii conformitate produs

Tip produs: Piesa

Daca doresti sa iti exprimi parerea despre acest produs poti adauga un review.

Review-ul a fost trimis cu succes.

Suport clienti Luni-Vineri 08.30-17.00 Sambata Inchis Duminica Inchs

0770999995 comenzi@expertinstalatii.ro

Compara produse

Trebuie sa mai adaugi cel putin un produs pentru a compara produse.

A fost adaugat la favorite!

A fost sters din favorite!